- Úvod
- Povrchové čerpadlá
- Náhradné diely
- Sacie teleso 32 SVA
Sacie teleso 32 SVA
- Kompletné špecifikácie
- Komentáre 0
Sacie teleso 32 SVAdo 3 dní87,00 EUR/ ks70,73 EUR bez DPH
Kompletné špecifikácie
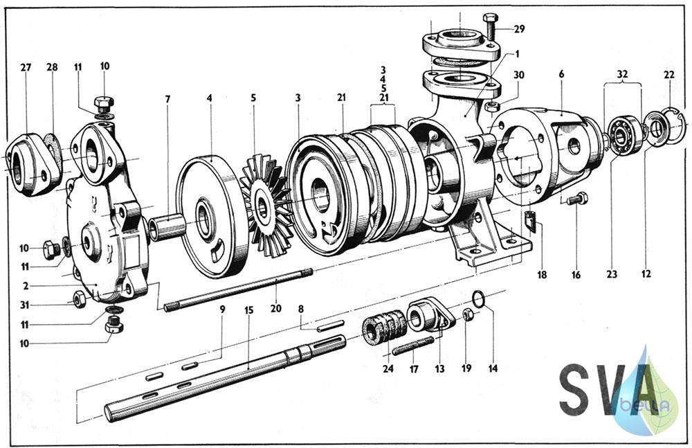
Sacie teleso na čerpadlo 32 SVA. Vhodné na čerpadlá 1, 2 aj 3-stupňové.
Teleso už obsahuje púzdro hriadeľa. Teleso neobsahuje zátky G 1/4" v zadnej a vrchnej časti.
Pozícia na rozkrese náhradných dielov č. 2.
Materiál: sivá liatina
Tovar zaradený v kategóriách









